Committed

As expected, the CMA CGM CEDRUS, the container ship bringing my mini excavator from China, is now fully committed to routing to Valencia, its next port of call, via the Cape of Good Hope.

null

This means that it will not arrive in Marseille until at least 03 March which gives me two or three weeks to find out how I get it through French customs and delivered to my house and also to make preparations for when it arrives. The logistics and transport are the most difficult bits but while I’m resolving those I also want to make a ‘garage’ for it so when its unpacked it won’t need to stand out in the open.

I’ve scoured the internet for a ready-made solution but I can’t find anything that’s quite high enough. The closest I can find is a ‘tente garage voiture’, as shown below, which is larger all round than I ideally want, fairly expensive at 425€ and also has a cross-bar at what appears to be just below the height required to clear the excavator’s boom.

null

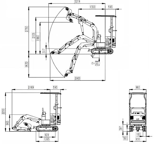
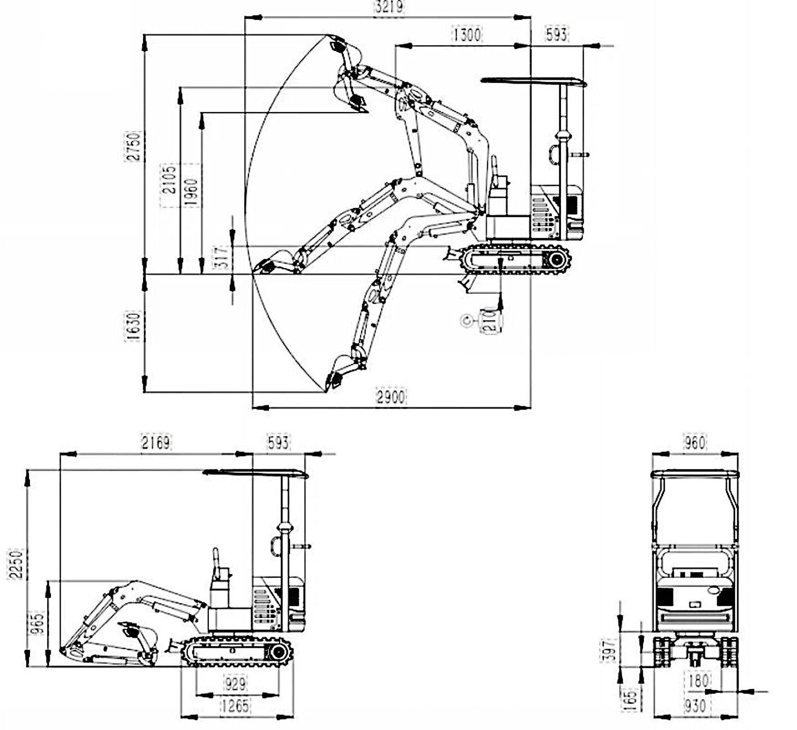
As shown below, the excavator’s dimensions with its boom folded are height 2250 cm, length 1893 cm and width 960 cm.

null

I want to be able to get it into a waterproof temporary structure at the bottom of my garden which will not be too obtrusive, will stand directly on the grass and will be easily removable when I’ve finished with it. I’ve decided to go with a wooden framed structure which I will build myself that will be anchored into the ground with angle-iron at its four corners and have a roof and sides covered with green plastic tarpaulin sheet.

null

I should be able to build it for not much more than 100€. I’ll acquire the wood in the next day or so and all I’ll then need is for it to stop raining long enough so I can go ahead, clear the space for it that I have earmarked and go ahead and build it. So at the time of writing that’s what I’m committed to but I have no idea when exactly I’ll be able to start building with the weather forecast as it is 🙁

Leave a Comment